返回首页    ENGLISH   联系我们
 
首  页
公司简介
企业荣誉
产品展示
信息反馈
新闻中心
在线订单
营销中心
联系我们
 
 
    点击展开详细分类↓
    浮球水位开关
    侧装浮球水位开关
    物位/料位开关
    冲击式气锤
    压力/液位变送系列
    水流量开关
    压差表/压差开关
    磁性浮球浮子
    配件附件零件
  产品展示 首页 >> 产品展示
zp-801-1.6kpa

产品概述

本压力变送器根据不同的测量介质和环境,传感器分别采用了扩散硅传感器(不带隔离膜片)和陶瓷压阻传感器,这样就充分利用和发挥了不同类型传感器的特性优势,避免了相对的弱势,从而进一步保证和提高了产品的性能。压力变送器在各种不同的应用中都具有杰出的传感性能和优势传感器使用简单,性能卓越,能成功地经受恶劣环境的考验。我厂压力变送器的设计具有高精确度、可靠性和适应能力。

功能特点
◆具有反向保护、限流保护电路,在安装时正负极接反不会损坏变送器,异常时变送器会自动限流在35MA以内。
◆固态结构,无可动部件,高可靠性,使用寿命长。
◆从风压到水、油都可以进行高精度的测量,不受被测介质质量大小的影响。
◆安装方便、结构简单、经济耐用。


技术参数
测 量 介 质: 液体、气体、蒸汽;
传感器类型: 陶瓷电容传感器 扩散硅式传感器;
测 量 范 围: 0~2、20…60Mpa;
测 压 方 式: 表压、绝压、负压;
准 确 度: 0.1%、 0.3 %、0.5%;
输 出 信 号: 4~20mA、 0~10mA等;
宽温度范围补偿:0~80℃;
长 期 稳 定 性:≤0.2(%FS/年);
显 示 表 头: LCD液晶显示表头、LED 数码显示表头;
零点温度漂移: ≤0.03%FS/℃;
螺 纹 接 口: M20×1.5或用户自定;
环 境 温 度: -20~80(℃)



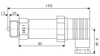
外型尺寸:


电气连接图:
友情链接: mapressure 浮球开关


地址:浙江省乐清市盐盆经济开发区 客服微信:35375828
电话:0577-62058886  62058887 
网址:zpyb.com E-mail:ZPYB@163.com

点击这里给我发消息

技术支持:传信网络 浙ICP备07027404号

访问统计: