返回首页    ENGLISH   联系我们
 
首  页
公司简介
企业荣誉
产品展示
信息反馈
新闻中心
在线订单
营销中心
联系我们
 
 
    点击展开详细分类↓
    浮球水位开关
    侧装浮球水位开关
    物位/料位开关
    冲击式气锤
    压力/液位变送系列
    水流量开关
    压差表/压差开关
    磁性浮球浮子
    配件附件零件
  产品展示 首页 >> 产品展示
±100pa

 

过滤器专用差压表
 
 
MAGRFHELIC差压表被广泛应用于测量风扇和鼓风机的压力、过滤器阻力、风速、炉压、孔板差压、气泡水位及液体放大器或液压系统压力等,同时也用于燃烧过程中的空气煤气比值控制及自动阀控制,以及医疗保健设备中的血压和呼吸压力监测。
适用行业:
医疗卫生、微电子、航天航空、环保工程、生物工程、制药、楼宇智能、暖通空调、食品饮料、精密电子加工等
特点:
       ·OEM生产商
   ·磁动螺旋涡杆机构从根本上消除了齿轮传动所产生的磨擦。
   ·表内无需充注液体。
   ·无惯性、无漂移的指针运动。
   ·本质上没有滞后。
   ·极好的抗震动、抗抖动性能。
   ·可测量正压、负压或差压。
   ·81种量程,最小0 - 30Pa,最大0 - 80KPa
   ·2组压力接口(侧面背面)+ 3种安装方式 = 自由灵活的应用。
       ·良好的精度,合理的价格。
   技术指标:
   ·环境温度:-70 ~ 60℃
   ·额定压力:-68 ~ 103KPa
   ·过压:约172KPa时橡胶过压塞被冲开。
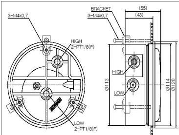
   ·过程连接:高压和低压孔均为1/8″椎管螺纹,两组(侧面和背面各一组)
   ·外壳材质:压模铸铝,主体和铬化铝部件经过168小时盐浴试验,外部最终涂层暗灰色。
   ·精度:在21℃下为±2%FS(- 125PA;250PA型为2%,-60PA,型为2%)
   ·标准附件:2个1/8NPT堵头,2个1/8″螺纹橡胶管接头,和3个带螺钉的嵌入式安装螺钉卡(又MP和HP选项的表,用安装环和卡环固定器取代上述3个螺钉)
 
我司产品均为2年保固保修,该产品已通过质量鉴定。
 
 
 
 
友情链接: mapressure 浮球开关


地址:浙江省乐清市盐盆经济开发区 客服微信:35375828
电话:0577-62058886  62058887 
网址:zpyb.com E-mail:ZPYB@163.com

点击这里给我发消息

技术支持:传信网络 浙ICP备07027404号

访问统计: