返回首页    ENGLISH   联系我们
 
首  页
公司简介
企业荣誉
产品展示
信息反馈
新闻中心
在线订单
营销中心
联系我们
 
 
    点击展开详细分类↓
    浮球水位开关
    侧装浮球水位开关
    物位/料位开关
    冲击式气锤
    压力/液位变送系列
    水流量开关
    压差表/压差开关
    磁性浮球浮子
    配件附件零件
  产品展示 首页 >> 产品展示
UQK定制实例

尊敬的客户,我厂可提供450℃以下的浮球控制器,各种非标法兰、浮球尺寸可定制,欢迎选用!

一.安装与使用:



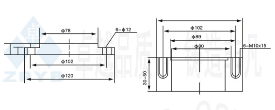
1.UQK型浮球液位控制器采用非标准凸面法兰与被控容器相连接,用户在安装时,应根据图示。凸面法兰尺寸配置相应的凸缘B。
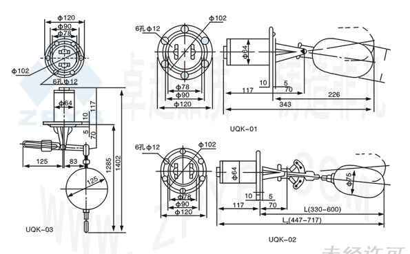
2.UQK-01型和UQK-02型浮球液位控制器为水平方向的安装形式,UQK-03型浮球液位控制器为垂直方向的安装形式。如下图:

图中:(1)法兰A为被制器外壳上非标准凸面安装法兰,尺寸如下图所示。
(2)凸缘B为被控制容器上与法兰A相连的非标准件,用户可根据图示尺寸相应配置,凸缘与被控容器焊接时,应注意凸缘上的6-M10的方向。
3.UQK-03型浮球液位控制器的安装时,因为其浮球直径大于法兰孔直径,故容器盖应为可以拆装(现我厂改进后有免拆容器盖浮球)。

4.UQK-02型浮球液位控制器的动作范围的整定属有级调整,最大动作范围为550毫米。

动作范围调整方法:在使用时可以通过调节位于扇形杠杆上的上-下二定位螺钉相对位置(改变浮球摆动角)或拆下开口销接换不同长度的连杆(改变浮球摆动半径)来达到。

5.UQK-03型浮球液位控制器的动作范围的整定属无级调整,最大动作范围为1000毫米。

动作范围调整方法:在使用时通过改变浮球导向杆上-下二定位螺钉的相对位置及杠杆上的平衡块来达到。

6.控制器是非防水型结构,不宜在室外露天场合使用。
7.控制器安装时应在金属外壳可靠接地(一般可接在法兰上)以确保用电安全。
8.被控介质不应含有导磁杂质,并且液面的波动频率不能太大。
9.使用中的仪器应定期进行检查。
二.用途:
UQK型浮球液位控制器适用于工业生产过程中敞开或承压容器内液位的控制。妆液位到达高低极限时,继电器触点可作信号报警装置或电动泵等线路中的开关。
三.技术落参数:
1-型号/规格
型号 动作界限(毫米) 整定方式 安装方式
UQK-01 10 不可调 水平
UQK-02 25~550 有级调整 水平
UQK-03 8~1000 列级调整 垂直
2-工作压力:1.6MPa
3-工作温度:120℃
4-电源及触点容量:交流220V,220VA   直流100V,150W
5-重量:4-6公斤

6-外形尺寸:如下图

友情链接: mapressure 浮球开关


地址:浙江省乐清市盐盆经济开发区 客服微信:35375828
电话:0577-62058886  62058887 
网址:zpyb.com E-mail:ZPYB@163.com

点击这里给我发消息

技术支持:传信网络 浙ICP备07027404号

访问统计: