返回首页    ENGLISH   联系我们
 
首  页
公司简介
企业荣誉
产品展示
信息反馈
新闻中心
在线订单
营销中心
联系我们
 
 
    点击展开详细分类↓
    浮球水位开关
    侧装浮球水位开关
    物位/料位开关
    冲击式气锤
    压力/液位变送系列
    水流量开关
    压差表/压差开关
    磁性浮球浮子
    配件附件零件
  产品展示 首页 >> 产品展示
差压表背面
ZP-2000差压表

 

过滤器 专用差压表
简介
: ±2.0% FS
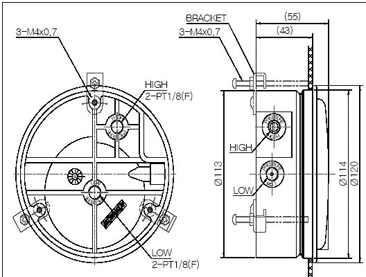
120mm
内 径 : 100mm
壳 体 : 压模铸铝
测量范围 : 0~ 500Pa ~ 50KPa
: 0~0.1MPa
工作温度 : -6 ~ 60
测量介质 : 气体
: 导压管、金属取压接头2个、金属支架、堵丝2
L(低压)和H(高压)各2个压力接口。不同联接可迅速指示气体压力,包括正压、负压或差压;零点校准可直接在外部操作。
广泛应用于工业除尘器、涂装、药厂GMP认证、电子、医疗、楼宇、食品、空压机、空调送风机组差压、过滤器阻力、风机风扇压力、洁净操作台、喷涂等领域。
操作:
测压力:用导气管将压力源与两个高压口中任意一个相连,将不用的一个堵住;使一个或两 个低压口通大气。
测差压:用导气管将高压源与两个高压口中任意一个相连,用导气管将低压源与两个低压口中任意一个相连;
将表上不用的两个取压口堵上。
测负压:用导气管将压力源与两个低压口中任意一个相连,将不用的一个堵住;使一个或两个高压口通大气。
测量范围选择:
量程1
量程2
量程3
量程4
0~500Pa
0~8KPa
0~40KPa
±5KPa
0~1KPa
0~10KPa
0~45KPa
±10KPa
0~1.5KPa
0~15KPa
0~50KPa
±20KPa
0~2KPa
0~20KPa
±500Pa
按需定制
0~3KPa
0~25KPa
±1.5KPa
0~5KPa
0~30KPa
±2.5KPa
友情链接: mapressure 浮球开关


地址:浙江省乐清市盐盆经济开发区 客服微信:35375828
电话:0577-62058886  62058887 
网址:zpyb.com E-mail:ZPYB@163.com

点击这里给我发消息

技术支持:传信网络 浙ICP备07027404号

访问统计: