返回首页    ENGLISH   联系我们
 
首  页
公司简介
企业荣誉
产品展示
信息反馈
新闻中心
在线订单
营销中心
联系我们
 
 
    点击展开详细分类↓
    浮球水位开关
    侧装浮球水位开关
    物位/料位开关
    冲击式气锤
    压力/液位变送系列
    水流量开关
    压差表/压差开关
    磁性浮球浮子
    配件附件零件
  产品展示 首页 >> 产品展示
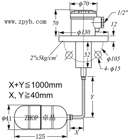
ZF-50
产品原理:
侧装式浮球开关是利用液体浮力原理,当浮球因浮力作用而上下运动时,接线盒内的磁簧开关(或微动开关)受到臂端磁铁影响,而作"NC"接点与"NO"接点之互换。浮球有 φ40, φ44,φ50, φ75四种规格浮球,塑料材质有 PP、PVDF,可用于酸碱场所,SUS 304/316L材质适用于高温或高压桶槽,侧装、上装皆可安装,接线盒防护等级为 IP-65,接续法兰有 JIS, DIN及 ANSI等规格;牙口有 1-1/2, 2"PT, BSP或客户指定规格,耐压最高可达 50kg/cm2,耐温最高可达350℃,适用比重为 0.25~0.65g/cm3 。
 
o      上装法兰型ZF-50
o      接点容量:5A/250VAC
o      工作温度:-30~100℃
o      接点形式:SPDT
o      接液材质:SUS304
o      适用比重:0.65
 
友情链接: mapressure 浮球开关


地址:浙江省乐清市盐盆经济开发区 客服微信:35375828
电话:0577-62058886  62058887 
网址:zpyb.com E-mail:ZPYB@163.com

点击这里给我发消息

技术支持:传信网络 浙ICP备07027404号

访问统计: