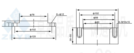
| 1.UQK型浮球液位控制器采用非标准凸面法兰与被控容器相连接,用户在安装时,应根据图示。凸面法兰尺寸配置相应的凸缘B。 |
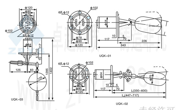
2.UQK-01型和UQK-02型浮球液位控制器为水平方向的安装形式,UQK-03型浮球液位控制器为垂直方向的安装形式。如下图:
|

|
| 图中:(1)法兰A为被制器外壳上非标准凸面安装法兰,尺寸如下图所示。 |
 |
| (2)凸缘B为被控制容器上与法兰A相连的非标准件,用户可根据图示尺寸相应配置,凸缘与被控容器焊接时,应注意凸缘上的6-M10的方向。 | |
| 3.UQK-03型浮球液位控制器的安装时,因为其浮球直径大于法兰孔直径,故容器盖应为可以拆装(现我厂改进后有免拆容器盖浮球)。 |
|
4.UQK-02型浮球液位控制器的动作范围的整定属有级调整,最大动作范围为550毫米。
动作范围调整方法:在使用时可以通过调节位于扇形杠杆上的上-下二定位螺钉相对位置(改变浮球摆动角)或拆下开口销接换不同长度的连杆(改变浮球摆动半径)来达到。 |
|
5.UQK-03型浮球液位控制器的动作范围的整定属无级调整,最大动作范围为1000毫米。
动作范围调整方法:在使用时通过改变浮球导向杆上-下二定位螺钉的相对位置及杠杆上的平衡块来达到。 |
| 6.控制器是非防水型结构,不宜在室外露天场合使用。 |
| 7.控制器安装时应在金属外壳可靠接地(一般可接在法兰上)以确保用电安全。 |
| 8.被控介质不应含有导磁杂质,并且液面的波动频率不能太大。 |
| 9.使用中的仪器应定期进行检查。 |